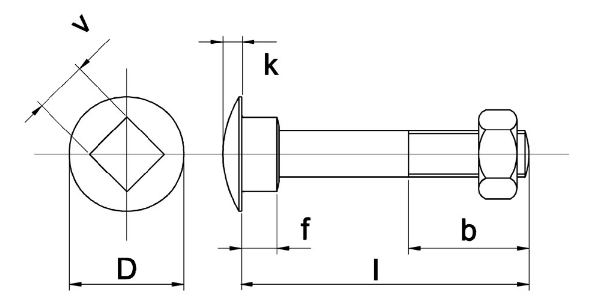
Wat zijn de afmetingen van het vierkantje bij een slotbout M12x140?
Zie tekening, bij 'v'.
GoeieVraag is onderdeel van Startpagina. Startpagina geeft al meer dan 20 jaar een overzicht van handmatig geselecteerde links van relevante en betrouwbare Nederlandse websites.
Startpagina is dé (op)startpagina om je zoektocht op internet te beginnen.
Op zoek naar meer informatie over een specifiek onderwerp? Neem een kijkje op de themapagina's van Startpagina.
GoeieVraag is onderdeel van Startpagina. Startpagina geeft al meer dan 20 jaar een overzicht van handmatig geselecteerde links van relevante en betrouwbare Nederlandse websites.Startpagina is dé (op)startpagina om je zoektocht op internet te beginnen.Op zoek naar meer informatie over een specifiek onderwerp? Neem een kijkje op de themapagina's van Startpagina.
Zie tekening, bij 'v'.
Het is niet mogelijk om je eigen vraag te beantwoorden Je mag slechts 1 keer antwoord geven op een vraag Je hebt vandaag al antwoorden gegeven. Morgen mag je opnieuw maximaal antwoorden geven.
Het is niet mogelijk om je eigen vraag te beantwoorden Je mag slechts 1 keer antwoord geven op een vraag Je hebt vandaag al antwoorden gegeven. Morgen mag je opnieuw maximaal antwoorden geven.
GoeieVraag.nl is onderdeel van Kompas Publishing